随着Smart factory化的发展,越发有必要提高工业自动化(FA*1)的设备小型化、可靠性以及高耐热性。一方面,扩大静电容量和耐电压规格的高耐压化陶瓷电容器产品在不断推进,能够选择陶瓷电容器的领域也不断扩大。
在此将介绍实际使用电路中, FA的电源及逆变器用的电容器。
*1 FA:Factory Automation
工业自动化框图
图1工业自动化框图
以上是FA一般的框图。
FA由PLC、变频驱动器、AC交流电机、各种电源等构成。
下面将介绍AC/DC,DC/DC变频器的使用电路示例、电感器使用电路示例和断路器用电源使用电路示例。
使用电路实例(AC/DC转换器、DC/DC转换器)
图2 AC/DC DC/DC 转换器框
图以上是AC/DC转换器、DC/DC转换器的一般电路事例。
①AC线滤波器(C1,C2)和一次二次结合的耦合电容有必要使用取得安全规格认证的电容器。
AC400V额定、AC500V额定新产品适用于AC400V、AC690V的AC/DC 变频器。
②缓冲用电容器(C5,C6)为安装高频开关,要求使用低损耗电容器。
因此向您推荐温度补偿型(Class1)电容器。
一方面,C7因为要求去除高频的噪声成分,所以需要高容量。
向您推荐高介电常数系统(Class2)的电容器。
我们会根据不同用途,向您推荐非常适合的温度特性产品。
图3 不同温度特性、DC偏置事例

③平滑用电容器(C4,C8)为除去低频噪声,要求使用较大容量的电容器。
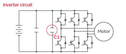
使用电路事例(逆变器电路)
图4 逆变器电路
以上是逆变器的一般电路事例。
缓冲电容器(C1)要求除去高频的噪声成分。

使用电路示例(断路器用电源)
Fig.5 断路器用电源电路
上述是用于断路器的电源的电路示例。
① 滑用电容器(C1)为除去低频噪声,要求使用较大容量的电容
②一次二次耦合的耦合电容(C2)中有必要使用取得安全规格认证的电容器。
AC500V额定、AC400V额定产品因为其高的脉冲耐性,适用于断路器用电源用途。

对选型需要协助,可直接与我司技术或销售联系,企业邮箱:sales.cn@uxingroup.com;企业QQ:2355540900公司网站:www.907706.com